No buscas en Google “qué es un Fresadora CNC” a menos que haya algo real en juego. Tal vez estés intentando construir un producto. Tal vez estés calculando el precio de las piezas. O tal vez estés mirando un catálogo de maquinaria pensando: ¿Estoy a punto de cometer un error costoso?
El problema es que la mayoría de las guías de fresado CNC hablan como libros de texto de ingeniería o simplifican demasiado todo hasta hacerlo inútil. Esta guía no hará eso. Analizaremos cómo funciona realmente una fresadora CNC, qué significa realmente "fresado CNC" y cómo elegir la máquina adecuada sin desperdiciar dinero. Confundido entreFresado CNC frente a torneado CNCLee nuestro blog para aclarar todas tus dudas.
El fresado CNC es un proceso de corte controlado por computadora. Pero esa definición es aburrida y no capta la esencia: lo cambió todo. Una herramienta giratoria esculpe material a partir de un bloque sólido, creando formas, detalles y agujeros, pero esto sucede porque un sistema digital especializado reemplazó por completo las palancas y las ruedas giratorias.
Mira, diseñas la pieza en una computadora, transfieres el archivo y la máquina ejecuta el corte con una precisión quirúrgica e innegociable. Por eso, industrias como la aeroespacial, la automotriz y la robótica dependen tanto de esta tecnología. Las manos humanas no pueden igualar de forma consistente la precisión dimensional requerida para la fabricación avanzada. componentes de grado aeroespacial.
En Keso, adoptamos tecnología avanzada de fresado CNC desde el primer día, y la amplia experiencia de nuestro equipo en mecanizado se refleja directamente en la consistencia de nuestras piezas terminadas. Muchos clientes nos traen componentes que no superaron las pruebas de tolerancia en otros talleres, y una vez que la producción pasa a nuestras manos, observan una mayor estabilidad y precisión. En el mecanizado, se eligen los procesos y la experiencia del taller, y eso es lo que garantiza que sus piezas críticas se fabriquen correctamente a la primera.
Verificación de datos: ¿Sabía que el fresado CNC es responsable de componentes con tolerancias menores que el grosor de un cabello humano? Estamos hablando de una precisión repetible de hasta un dígito de micras en aplicaciones de alta precisión o especializadas. No es solo mejor que el trabajo manual. Opera en un universo de precisión totalmente diferente. Esta capacidad es la razón por la que el mercado global de automatización industrial, que depende en gran medida de piezas mecanizadas por CNCSe prevé que alcance casi 400 mil millones de dólares en los próximos años. Ese es el tipo de impacto del que estamos hablando.

La principal diferencia entre una fresadora manual tradicional y un sistema CNC moderno se reduce a una sola cosa: el control y en quién confías para ejercerlo.
En una fresadora manual, el operario controla absolutamente todo. Cada movimiento de la herramienta, la profundidad de corte, la velocidad de avance: todo depende de su destreza, su vista y su concentración en ese preciso instante. En cuanto aparece la fatiga o se pasa el efecto del café, las tolerancias pueden variar.
Consideremos ahora una fresadora CNC. Sus movimientos no se guían por la intuición, sino por líneas de código programado. La máquina ejecuta las coordenadas exactas de forma consistente, ciclo tras ciclo. Por eso, en la mayoría de las industrias, el fresado CNC se ha convertido en el método principal para producir piezas de precisión.
Imagina que estás encargando la carcasa de un álabe de turbina crítico. ¿Preferirías que esa pieza fuera fabricada por un sistema que ofrece una precisión predecible y repetible de hasta un micrón, o por un ser humano que se guía por la intuición?
Esa es la diferencia. Una fresadora CNC ofrece:
Esta mejora significativa en la previsibilidad y la precisión es la razón por la que el fresado CNC es la opción dominante para la mayoría de las aplicaciones de fabricación modernas, mientras que el fresado manual se utiliza principalmente hoy en día para pequeñas reparaciones, prototipos sencillos, formación o tareas de bajo volumen donde no se requieren tolerancias extremadamente estrictas.
Cuando veas un producto etiquetado como "fresado CNC", significa que la pieza no fue moldeada, fundida ni cortada de forma tosca, sino que fue tallada directamente a partir de una pieza sólida de material utilizando una máquina de fresado CNC que siguió instrucciones digitales precisas.
Esto importa porque piezas fresadas por CNC suelen tener:
Cuando los fabricantes optan por una fresadora CNC, generalmente lo hacen por una razón: la uniformidad. Cada pieza sale prácticamente idéntica, incluso en grandes volúmenes de producción.

Si hiciste clic aquí preguntando "¿cómo funciona una fresadora CNC?", no buscas información trivial, sino una solución práctica. Quizás estés intentando: elegir la máquina adecuada, detectar un cuello de botella en la producción, calcular un presupuesto preciso o dejar de desechar piezas por configuraciones incorrectas. Aprender cómo funciona la máquina de principio a fin te brinda tres ventajas fundamentales: previsibilidad (sabrás dónde se acumulan el tiempo y el costo), control (dejarás de adivinar las velocidades de avance, de mecanizado y de fijación) y resolución de problemas (detectarás los problemas antes de que arruinen la producción). Así que lee esto como si fueras a realizar tu primer trabajo mañana, no como si estuvieras estudiando para un examen.
Un sistema de fresado CNC es un instrumento de precisión implacable. Se trata de una herramienta de corte controlada por ordenador, diseñada para esculpir material a partir de un bloque sólido y lograr la forma exacta que se ha diseñado. Sin embargo, esta capacidad no se limita al simple corte; requiere una ingeniería increíblemente coordinada. La máquina debe gestionar la velocidad del husillo, el movimiento de la herramienta, la evacuación de virutas, el suministro de refrigerante y una lógica de control compleja solo para fabricar de forma repetible un componente tan complejo.
Observe la fresadora CNC al comenzar el trabajo. El husillo alcanza inmediatamente su velocidad máxima, miles de RPM, según el material y la herramienta, y la fresa se desplaza a su posición inicial. La pieza de trabajo queda allí, sujeta con absoluta rigidez a la mesa.
La unidad de control lee el código G. Este es el script línea por línea extraído directamente de su programa CAM. El controlador toma instantáneamente ese script y lo convierte en pequeños movimientos de ejes coordinados, alcanzando coordenadas con una precisión de centésimas o milésimas de milímetro.
A medida que los chips se desprenden, el refrigerante o la niebla gestionan simultáneamente el calor. El propio sistema de control corrige activamente la holgura y cualquier pequeña desviación física, asegurando que el componente final sea una réplica exacta del modelo CAD.
Hay algunos aspectos cruciales para el proceso. La velocidad del husillo y la velocidad de avance determinan por completo el corte; si no se gestionan correctamente, se garantiza un mal acabado y una rápida rotura de la herramienta. La estrategia de trayectoria, es decir, cómo se desbasta la pieza frente a cómo se le da el acabado, determina la fuerza y el calor totales que soporta la herramienta. Y, por último, la sujeción. Es el paso más básico, pero hacerlo mal es la forma más rápida de desechar un lote completo de piezas costosas.

Una fresadora básica mueve una herramienta de corte en tres ejes lineales: X (izquierda-derecha), Y (adelante-atrás) y Z (arriba-abajo). Pero eso es solo el comienzo:
Si te paras al lado de un moderno Fresadora CNC de 5 ejes Durante un trabajo complejo, notará que la máquina se mueve con movimientos suaves y fluidos en lugar de pasos bruscos; esto se debe al movimiento simultáneo de ejes que realiza el trabajo pesado. La diferencia no radica solo en un movimiento más atractivo, sino también en menos configuraciones, un acabado más limpio y piezas que salen de la mesa de trabajo con especificaciones más precisas.
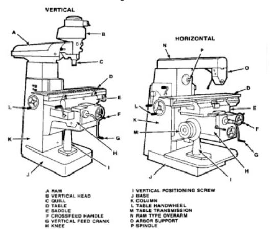
¡Consulta la guía adjunta para obtener más información sobre cómo funcionan las fresadoras CNC!
Si todo esto hace que el fresado CNC suene potente pero, sinceramente, un poco abrumador, es comprensible. Comprar una fresadora, configurarla, ajustar las velocidades de avance y de corte, las herramientas, los soportes... es mucho trabajo antes incluso de fabricar la primera pieza de calidad.
Si lo único que busca son piezas cortadas a la perfección desde el primer intento, Keso se encarga de ello. Mecanizamos piezas de calidad profesional desde tan solo 5 $ por pieza, sin que usted tenga que tocar la máquina ni preocuparse por la configuración, las herramientas o los desperdicios.
Solo tienes que subir tu archivo CAD; nosotros nos encargamos del resto.

El husillo es el motor de la máquina. Sujeta la herramienta de corte y la hace girar a alta velocidad para cortar metal, plástico o materiales compuestos. La calidad del husillo determina la suavidad del corte y la limpieza de la superficie de la pieza mecanizada por CNC al salir de la mesa. Si el husillo presenta holgura o vibraciones, esto se manifiesta inmediatamente en marcas de vibración y tolerancias deficientes.
Las máquinas modernas no requieren cambios manuales de herramientas. El cambiador automático almacena múltiples fresas y las intercambia en segundos. Una buena fresadora CNC utiliza este sistema para pasar sin problemas del desbaste al acabado sin necesidad de modificar la configuración. Esto permite fabricar piezas complejas en una sola operación, en lugar de realizar múltiples pasos manuales.
Este es el cerebro y el panel de control. Desde aquí, los operarios cargan programas, ajustan avances y velocidades, ponen la máquina a cero y supervisan el corte. En una fresadora CNC bien ajustada, el panel de control proporciona información en tiempo real, como la carga del husillo y la posición de los ejes, lo que permite detectar problemas antes de que dañen una pieza o una herramienta.
La mesa de trabajo es donde se sujeta la materia prima. Dispositivos de fijación, mordazas, abrazaderas y plantillas personalizadas impiden que la pieza se mueva mientras se le da forma. Una configuración estable marca la diferencia entre un componente fresado CNC con tolerancias precisas y un montón de piezas defectuosas. Un buen sistema de fijación es silencioso, sencillo y absolutamente fundamental.
El calor perjudica la precisión. Los sistemas de refrigeración rocían o inundan la zona de corte para controlar la temperatura y prolongar la vida útil de la herramienta. Los transportadores y sinfines de virutas eliminan los residuos metálicos antes de que se acumulen e interfieran con el corte. Una fresadora CNC bien diseñada mantiene limpia la zona de corte, de modo que la herramienta siempre esté cortando material, en lugar de volver a cortar virutas sueltas.
Antes de fijarse en las máquinas, es necesario comprender las herramientas. El rendimiento de una fresadora CNC depende directamente de la herramienta de corte que utilice. Una herramienta incorrecta arruina el acabado superficial, compromete las tolerancias y puede romperse a mitad del trabajo.